Sabots de Tubage
Les sabots de tubage sont conçus pour les opérations de forage avec tubage afin de stabiliser les parois du trou en pieux de fondation et en puits d’eau. Fabriqués en acier allié à faible teneur en carbone, usinés avec précision et traités thermiquement, ils offrent une résistance élevée et une forte tenue à l’usure.
Formulaire de demande
Applications typiques
Largement utilisés dans les opérations de forage avec tubage pour la stabilisation des parois.


Spécifications techniques
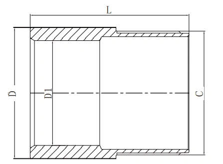
Sabots de tubage filetés

| Ø extérieur du tube de tubage, mm | Ø extérieur du sabot, mm | Ø intérieur min. du sabot, mm | Épaisseur du tube, mm | Poids, kg |
| D | D1 | |||
| 108 | 108 | 86 | 7 | 2.4 |
| 114 | 114 | 91 | 6.5 | 3 |
| 127 | 127 | 99.5 | 9.5 | 3.3 |
| 146 | 146 | 117 | 10 | 4.4 |
| 168 | 168 | 138 | 10 | 6.2 |
| 178 | 178 | 148 | 10 | 7.5 |
| 183 | 183 | 153 | 10 | 8.6 |
| 194 | 194 | 162 | 10 | 8.8 |
| 219 | 219 | 187 | 10 | 12.8 |
| 245 | 245 | 210 | 10 | 13.5 |
| 273 | 273 | 241 | 10 | 15 |
| La longueur (L) et le modèle de filetage (C) peuvent être personnalisés. | ||||
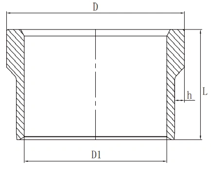
Sabots de tubage soudés

| Ø extérieur du tube de tubage, mm | Ø extérieur du sabot, mm | Ø intérieur min. du sabot, mm | Épaisseur du tube, mm | Poids, kg |
| D | D1 | h | ||
| 108 | 108 | 86 | 7 | 1.6 |
| 114 | 114 | 91 | 6.5 | 2.5 |
| 127 | 127 | 99.5 | 9.5 | 3 |
| 146 | 146 | 117 | 10 | 3.8 |
| 168 | 168 | 138 | 10 | 5 |
| 178 | 178 | 148 | 10 | 6 |
| 183 | 183 | 153 | 10 | 7.5 |
| 194 | 194 | 162 | 10 | 7.8 |
| 219 | 219 | 187 | 10 | 10 |
| 245 | 245 | 210 | 10 | 12 |
| 273 | 273 | 241 | 10 | 13.5 |
| 325 | 325 | 282 | 12.5 | 16 |
| La longueur (L) peut être personnalisée. | ||||





